jnh官网

国网推荐厂家 | 服务热线:

什么是电压互感器?基础讲解

一、电压互感器简述

电压互感器(简称PT,也简称TV)和变压器很相像,都是用来变换线路上的电压。但是变压器变换电压的目的是为了输送电能,因此容量很大,一般都是以千伏安或兆伏安为计算单位;而电压互感器变换电压的目的,主要是用来给测量仪表和继电保护装置供电,用来测量线路的电压、功率和电能,或者用来在线路发生故障时保护线路中的贵重设备、电机和变压器,因此电压互感器的容量很小,一般都只有几伏安、几十伏安,最大也不超过一千伏安。

图片

线路上为什么需要PT呢?这是因为根据发电、输电和用电的不同情况,线路上的电压大小不一,而且相差悬殊,有的是低压220V和380V,有的是高压几万伏甚至几十万伏。要直接测量这些低压和高压电压,就需要根据线路电压的大小,制作相应的低压和高压的电压表和其他仪表和继电器。这样不仅会给仪表制作带来很大困难,而且更主要的是,要直接制作高压仪表,直接在高压线路上测量电压,那是不可能的,而且也是绝对不允许的。

二、电压互感器的工作原理

其工作原理与变压器相同,基本结构也是铁心和原、副绕组。特点是容量很小且比较恒定,正常运行时接近于空载状态。


电压互感器本身的阻抗很小,一旦副边发生短路,电流将急剧增长而烧毁线圈。为此,电压互感器的原边接有熔断器,副边可靠接地,以免原、副边绝缘损毁时,副边出现对地高电位而造成人身和设备事故。

三、电压互感器的基本结构

油浸式电压互感器按其结构可分为普通式和串级式,3~35kV都制成普通式,它与普通小型变压器相似。110kV及以上的电磁式电压互感器普遍制成串级结构,其特点是:绕组和铁芯采用分级绝缘,以简化绝缘结构;绕组和铁芯放在瓷套中,可减少重量和体积。

图片

电压互感器的基本结构和变压器很相似,它也有两个绕组,一个叫一次绕组,一个叫二次绕组。两个绕组都装在或绕在铁心上。两个绕组之间以及绕组与铁心之间都有绝缘,使两个绕组之间以及绕组与铁心之间都有电的隔离。电压互感器在运行时,一次绕组N1并联接在线路上,二次绕组N2并联接仪表或继电器。因此在测量高压线路上的电压时,尽管一次电压很高,但二次却是低压的,可以确保操作人员和仪表的安全。

电压互感器的线圈阻抗较小,所以电压互感器的二次绕组不能短路,二次绕组如果短路将导致绕组承受的阻抗变大,绕组承受不了造成PT烧毁。

四、电压互感器的接法(重点)

(1)单相接线

该接法仅适用于测量相间电压。如果互感器一次绕组的一端接在线路上,另一端接地,互感器可测量某一相对地电压。

图片

(2)V-V接线

由两个单相互感器接线成不完全星形(V-V形),用来测量各相间电压,但不能测量相对地电压,它广泛应用在20kV以下中性点不接地或经消弧线图接地的电网中。

图片

VV接线,二次侧一般采用B相接地,这种接线方式测量的是线电压,不能测量相电压,也不能监测系统的单相接地故障。


图片

(3)Y-Y接线

由三个单相互感器一、二次侧均接成Y形,可供给要求线电压的仪表和继电器以及要求相电压的绝缘监视电压表。

图片

Y/Y接线,Y/Y接线是由三个单相互感器一、二次侧均接成Y形而构成的,它可供给要求线电压的仪表和继电器以及要求相电压的绝缘监视电压表的电压用,一般采用N线接地。


图片

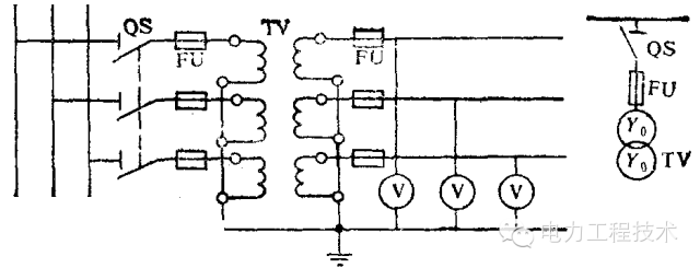
(4)Y0/Y0/△接线

用三台单相三绕组电压互感器构成Y0/Y0/D接线,该接线方式其二次绕组用来测量相间电压和相对地电压,辅助二次绕组接成开口三角形检测零序电压。用于3~220kV系统(110kV及以上无高压熔断器),供接入交流电网络缘监视仪表和继电器用。三相五柱式电压互感器只用于3~15kV系统,其接线与三台单相三绕组电压互感器构成Y0/Y0/△接线基本相同。

图片

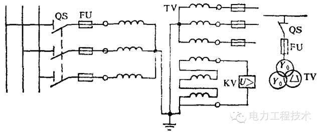
五、结论

在中性点不接地或经消弧线圈接地的系统中,为了测量相对地的电压,电压互感器的一次绕组必须接成星形,且中性点必须接地。在3~60kV电网中,采用三只单相三绕组(接地专用)电压互感器,而在3~20kV电网中,常采用三相五柱式电压互感器来测量相对地电压。普通三相三柱式的电压互感器是不允许作这种测量的。

图片

三相三线制三相四线制都可以采用Yy接法或Vv接法,区别是Vv接法只能用于线电压测试,Yy接法只能用于相电压测试,都能满足三相电压的测量。

电能计量中,通常还需要测电流和功率,这时,只有三相三线制中,可以采用两个电流互感器与Vv接法的两个电压互感器配合测试三相电功率。三相四线制中,必须采用三个电流互感器与Yy接法的三个电压互感器配合测试三相电功率。

电能计量中,Vv接法用于三相三线制,而Yy接法用于三相四线制。



本文来自:『   网络   』版权归原作者所有,如有侵权请联系jnh官网删除。

产品咨询及购买                                     
专业的销售工程师会给您周全、贴心的技术解答和选型指导。     
电  话: / 87575258
24小时销售咨询:(微信同号)
邮  箱:
传  真:

微信扫一扫快速报价                                  
友情链接: 绝缘电阻测试仪无线高压核相仪直流电阻测试仪三相钳形相位伏安表     武汉jnh官网电气有限公司是生产电力检测设备,电力试验设备,电力检测仪器,电力测试仪器的厂家!
销售选型热线
SALES SELECTION HOTINE
                                 
武汉jnh官网电气有限公司    地  址:武汉东湖开发区光谷大道62号光谷关南福星工业园  网  址:fengshangongche.com  邮  编:430075        
登录
登录
其他账号登录:
我的资料
留言
回到顶部
金年会 金年会 金年会 金年会 金年会 千亿球友会 千亿球友会 千亿球友会